外贸家具模板
HOME
|
PRODUCTS
NEW ENERGY SERIES
Distribution Equipment
Air circuit breaker
Moulded case circuit breaker
Automatic transfer switch equipment
Fuse
Capacitor
Modular DIN Rail
Miniature circuit breaker
Surge Protective Device
Residual current circuit breaker
Household Contactor
Disconnector
Industrial control
Motor drive protection
Control &Protection switch
Contactor
Relay
Master switch
Transformer
Voltage Regulator
Voltage transformer
Reactor
Current transformer
Low-voltage Others Products
Rectifier
Industrial plug
Terminal Blocks
Electromagnet
Electric whistle
Electric Bell
bus box
Complete sets of equipment
Low voltage switch cabinet
High voltage switch cabinet
Others
Power transformer
Ultra-high voltage equipment
Air-immersed transformer
Oil-immersed Transformer
Combination transformer substation
Combination transformer
Substation reactor
High voltage apparatus
Instruments & Meters
Energy Meter
Electronic measuring instrument
Power Cable、Control Cable、etc.
Explosion-proof electric
Explosion-proof fan
Explosion-proof lamp
Explosion-proof tube
Dust Explosion-proof
Full plastic explosion-proof
Explosion-proof electric apparatus
Waterproof and dust proof and Anticorrosive
|
SERVICE
|
DYNAMIC
|
SOLUTIONS
|
ABOUT US
1/1
Previous
Next
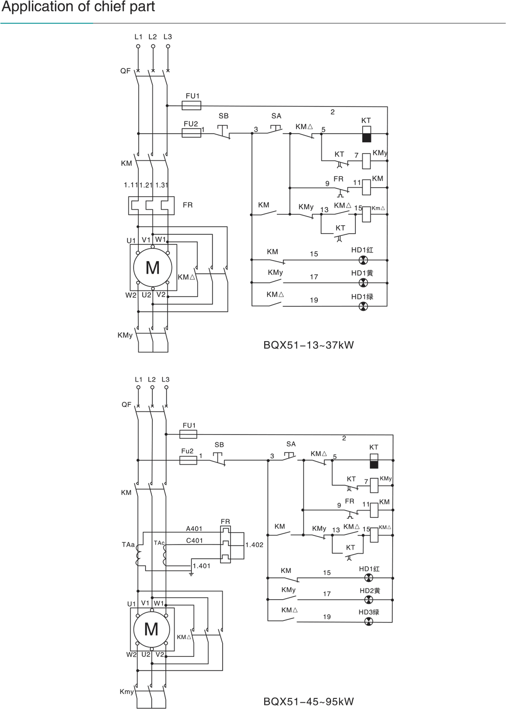
BQX51 Type explosion-proof star-delta starter
share
WeChat
Sina Weibo
QQ
QQ space
Douban
Baidu Post Bar
Model
BQX51
Brand
PEOPLE
Contact person
Simon Ye
E-mail
simon@chinapeople.com
Tel
+86-577-62730758
Fax
+86-577-62730655
Add
People Industry Liushi Wenzhou, China
PRODUCT DATA
CONTACT US
PEOPLE ELE. APPLIANCE GROUP CHINA
Contact person:Simon Ye
People Industry Liushi Wenzhou, China
+86-577-62730758
+86-577-62730655
simon@chinapeople.com